馬達保護用低壓零序電流互感器請與我公司詳細咨詢。
相地短路電流互感器尺寸表
|
型號 |
D1 |
D2 |
L1 |
L2 |
L3 |
W |
H |
負載額定電流A |
變比(二次額定1A) |
|
KWXD45 |
? |
45 |
45 |
127 |
64 |
60 |
116 |
0-400 |
50/1-400/1 |
|
KWXD4595 |
48 |
22.5 |
95 |
178 |
120 |
55 |
135 |
0-400 |
50/1-400/1 |
|
KWXD60225 |
180 |
30 |
225 |
333 |
240 |
60 |
147 |
400-1600 |
50/1-400/1 |
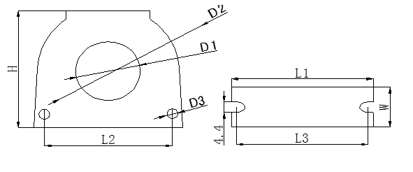
馬保用低壓零序電流互感器尺寸
|
型號 |
孔徑D1 |
D2 |
D3 |
L1 |
L2 |
L3 |
H |
W |
額定電流A |
|
KWXD26 |
26 |
45.5 |
2.8 |
51 |
41.2 |
44.2 |
45.5 |
18 |
0-40 |
|
KWXD45 |
45 |
73 |
-- |
85 |
-- |
64.3 |
73.5 |
22 |
40-160 |
|
KWXD60 |
60 |
95 |
-- |
95 |
-- |
72.4 |
95 |
23 |
160-250 |
|
KWXD80 |
80 |
120 |
-- |
120 |
-- |
103 |
126 |
25 |
250-400 |
|
KWXD100 |
100 |
140 |
-- |
140 |
-- |
122 |
145.5 |
25 |
400-630 |
|
KWXD150 |
150 |
196 |
-- |
196 |
-- |
174.5 |
203 |
25 |
630-1250 |

微信公眾號
手機官網(wǎng)